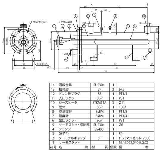
製品一覧
オイルプレヒーターOHP-180〜600


| 型式 | 定格 | 寸法(mm) | 適用流量(L/H) | 重量 | |||||||
| A | B | C | D | E | 50℃UP | 80℃UP | 90℃UP | (kg) | |||
| OHP- 180P |
3Φ 200V 6kW | 685 | 530 | 400 | 300 | 100 | 180 | 140 | 100 | 18 | |
| OHP- 240P |
3Φ 200V 8kW | 825 | 670 | 540 | 370 | 120 | 240 | 180 | 140 | 21 | |
| OHP- 300P |
3Φ 200V 10kW | 955 | 800 | 670 | 450 | 160 | 300 | 210 | 180 | 24 | |
| OHP- 360P |
3Φ 200V 12kW | 990 | 820 | 690 | 400 | 150 | 360 | 260 | 200 | 36 | |
| OHP- 450P |
3Φ 200V 15kW | 1170 | 1000 | 870 | 500 | 200 | 420 | 320 | 250 | 40 | |
| OHP- 600P |
3Φ 200V 20kW | 1420 | 1250 | 1120 | 600 | 250 | 600 | 440 | 340 | 46 | |
| 使用圧力 | MAX 0.49 MPa |
| サーモスタット | ダイヤル可変(30〜110℃) |
OHP-180〜600型
























