製品一覧
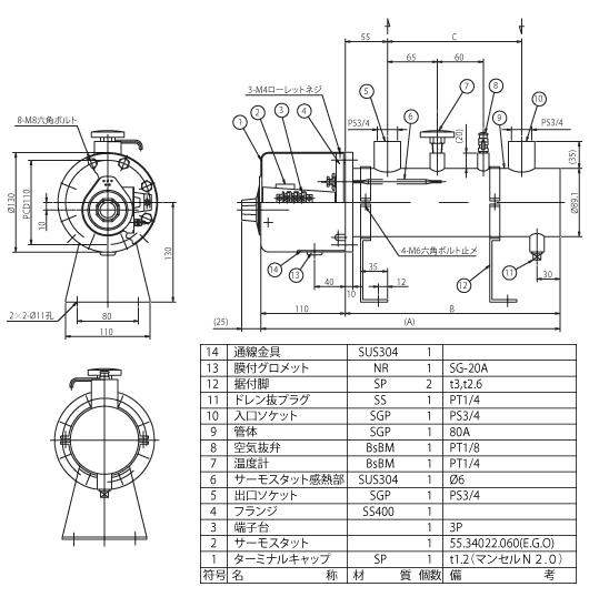
オイルプレヒーター OHP-15〜150



| 型 式 | 定 格 | 寸法(mm) | 適用流量(L/H) | 重量 | ||||
| A | B | C | 50℃UP | 80℃UP | (kg) | |||
| OHP-15P | 3Φ 200V 0.5kW | 390 | 280 | 175 | 15 | 9 | 5.7 | |
| OHP-30P | 3Φ 200V 1kW | 390 | 280 | 175 | 30 | 18 | 5.7 | |
| OHP-45P | 3Φ 200V 1.5kW | 390 | 280 | 175 | 45 | 27 | 6 | |
| OHP-60P | 3Φ 200V 2kW | 460 | 350 | 245 | 60 | 35 | 6.3 | |
| OHP-90P | 3Φ 200V 3kW | 630 | 520 | 415 | 90 | 53 | 8.5 | |
| OHP-120P | 3Φ 200V 4kW | 630 | 520 | 415 | 120 | 72 | 8.8 | |
| OHP-150P | 3Φ 200V 5kW | 730 | 620 | 515 | 150 | 90 | 9.5 | |
| 使用圧力 | MAX 0.49 MPa |
| サーモスタット | ダイヤル可変(30〜110℃)ヒーター直断 |
OHP-15〜150型






















