製品一覧
天吊型電熱式ファンヒーター(天吊)DFS-PU

DF型電熱式ファンヒーターの天吊型シリーズ。床面積を100%生かせる天吊方式。
スイッチ・ONで素早く広がる温風、お部屋の空気を汚さないクリーンな電気暖房。
もちろん、ガス漏れや油の臭い、酸欠や中毒、引火や爆発はなどはありません。
(タイマーやルームサーモスタットを使えば、手軽にスタートや室温調節も思いのまま。)
安全性、耐久性、使い易さと手軽さ、そして運転音の静かさ。
凍てつく日々をDFS型ファンヒーターで快適にお過ごしください。

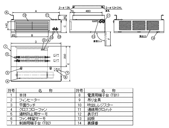
| 型 式 | A寸法 | B寸法 | C寸法 | D寸法 | E寸法 | F寸法 | 天井取付寸法 | 重量 |
| (mm) | (mm) | (mm) | (mm) | (mm) | (mm) | (mm) | (kg) | |
| DFS-200PU | 800 | 550 | 220 | 850 | 600 | 245 | 800×480 | 38.5 |
| DFS-300PU | 800 | 550 | 220 | 850 | 600 | 245 | 800×480 | 38.5 |
| DFS-400PU | 800 | 550 | 220 | 850 | 600 | 245 | 800×480 | 38.5 |
| DFS-500PU | 800 | 550 | 220 | 850 | 600 | 245 | 800×480 | 38.5 |
| DFS-600PU | 800 | 550 | 220 | 850 | 600 | 245 | 800×480 | 38.5 |
| DFS-800PU | 980 | 730 | 240 | 1030 | 630 | 275 | 980×480 | 48.5 |
| DFS-10KPU | 980 | 730 | 240 | 1030 | 630 | 275 | 980×480 | 51.5 |
| 材質 | SECC |
| 標準塗装色 | ピュアホワイト(マンセル5.82Y8.60/0.28) |
| 使用条件 | 使用条件:温度40℃以下、湿度90%以下、結露にご注意下さい。 |
| 付属品 | オプション:手元スイッチ、ルームサーモスタット |
※以下の規格品以外の定格容量、異電圧も製作可能です。
| 型 式 | 定格 | ヒーター回路 | ファンモータ | 風量 | 最大発熱量 | 暖房面積 | ||
| H1 | H2 | (50/60Hz) | (CMM) | kW(kcal/h) | (m²) | |||
| DFS-200PU | 3Φ 200V 2kW | 1kW | 1kW | 1Φ 200V 26/27W | 7.5/7.5 | 2 (1720) | 9 | |
| DFS-300PU | 3Φ 200V 3kW | 1.5kW | 1.5kW | 1Φ 200V 26/27W | 7.8/7.6 | 3 (2580) | 14 | |
| DFS-400PU | 3Φ 200V 4kW | 2kW | 2kW | 1Φ 200V 26/27W | 7.8/7.6 | 4 (3440) | 19 | |
| DFS-500PU | 3Φ 200V 5kW | 2kW | 3kW | 1Φ 200V 26/27W | 7.8/7.6 | 5 (4300) | 24 | |
| DFS-600PU | 3Φ 200V 6kW | 3kW | 3kW | 1Φ 200V 26/27W | 7.8/7.6 | 6 (5160) | 29 | |
| DFS-800PU | 3Φ 200V 8kW | 4kW | 4kW | 1Φ 200V 58/73W | 14.8/16 | 8 (6880) | 39 | |
| DFS-10KPU | 3Φ 200V 10kW | 4kW | 6kW | 1Φ 200V 58/73W | 14.8/16 | 10 (8600) | 49 | |
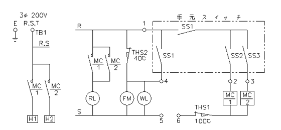
DFS-200PU〜DFS-10KPU

記:1〜6は、端子台TB2の番号を示します。
使用時には5、6の端子にルームサーモスタット(別売)をつないでから運転して下さい。



















