製品一覧
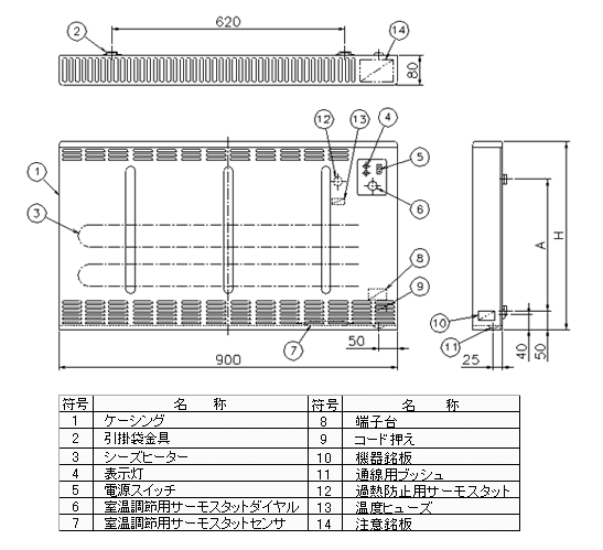
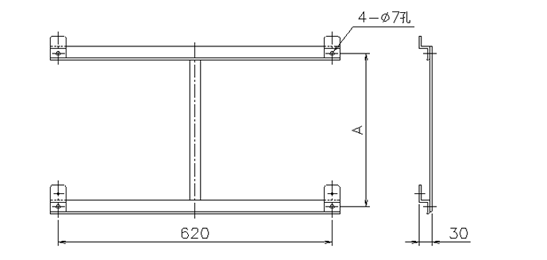
壁掛式電気暖房機 パネルヒーター(横型)DP-A

| 型式 | 定格 | 最大発熱量 | 適用面積 | H寸法 | A寸法 | 重量 | |||||||
| (kcal/h) | (m²)※ | (mm) | (mm) | (kg) | |||||||||
| DP-A75E | 1Φ100V0.75kW | 645 | 3.7 | 350 | 200 | 6.6 | |||||||
| DP-A100E | 1Φ100V1.0kW | 860 | 5 | 350 | 200 | 6.9 | |||||||
| DP-A125E | 1Φ100V1.25kW | 1075 | 6.3 | 500 | 350 | 8.7 | |||||||
| DP-A150E | 1Φ100V1.5kW | 1290 | 7.5 | 500 | 350 | 9.1 | |||||||
| DP-A75P | 1Φ200V0.75kW | 645 | 3.7 | 350 | 200 | 6.6 | |||||||
| DP-A100P | 1Φ200V1.0kW | 860 | 5 | 350 | 200 | 6.9 | |||||||
| DP-A125P | 1Φ200V1.25kW | 1075 | 6.3 | 500 | 350 | 8.7 | |||||||
| DP-A150P | 1Φ200V1.5kW | 1290 | 7.5 | 500 | 350 | 9.1 | |||||||
| DP-A175P | 1Φ200V1.75kW | 1505 | 8.8 | 500 | 350 | 9.1 | |||||||
| DP-A200P | 1Φ200V2.0kW | 1720 | 10.1 | 500 | 350 | 9.8 | |||||||
| DP-A250P | 1Φ200V2.5kW | 2150 | 12.6 | 800 | 650 | 13.5 | |||||||
| DP-A300P | 1Φ200V3.0kW | 2580 | 15.1 | 800 | 650 | 14.3 | |||||||
| DP-A350P | 1Φ200V3.5kW | 3010 | 17.7 | 800 | 650 | 14.3 | |||||||
| ※(1m²当り170kcal/hで計算) | |||||||||||||
|---|---|---|---|---|---|---|---|---|---|---|---|---|---|
| 材質 | ケーシング SEPC シーズヒーター SUS304 |
| 標準塗装色 | ピュアホワイト マンセル5.82Y8.60/0.28 |
| 付属品 | 壁取付金具 |
| 備考 | 室温調節用サーモ:0〜40℃ダイヤル可変式 過熱防止用サーモ:バイメタル式自動復帰型(95℃) 温度ヒューズ:152℃ |
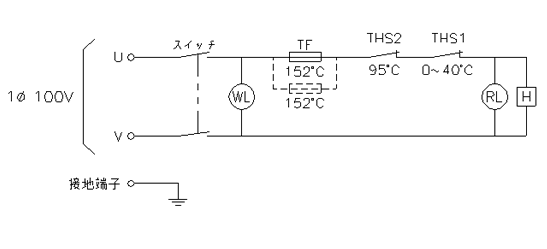
DP-A75E〜A150E

記:DP-A75E、A100E(0.75、1kW)は温度ヒューズ(TF)1個、DP-A125E、A150E(1.25kW、2.5kW)は2個を並列結線にて使用。
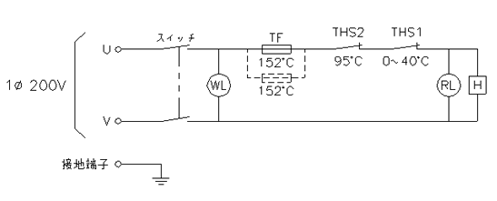
DP-A75P〜A250P

記:DP-A75P〜A200P(〜2kW)は温度ヒューズ(TF)1個、DP-A250P(2.5kW)は2個を並列結線にて使用。
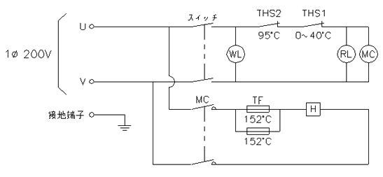
DP-A300P〜A350P























