製品一覧
壁掛式電気暖房機 パネルヒーター(縦型)DPS-A

| 型式 | 定格 | 最大発熱量 | 適用面積 | H寸法 | A寸法 | 重量 | |||||||
| (kcal/h) | (m²)※ | (mm) | (mm) | (kg) | |||||||||
| DPS-A50E | 1Φ100V0.5kW | 430 | 2.5 | 500 | 350 | 5.2 | |||||||
| DPS-A75E | 1Φ100V0.75kW | 645 | 3.7 | 500 | 350 | 5.3 | |||||||
| DPS-A100E | 1Φ100V1.0kW | 860 | 5 | 650 | 500 | 6.6 | |||||||
| DPS-A125E | 1Φ100V1.25kW | 1075 | 6.3 | 800 | 650 | 7.7 | |||||||
| DPS-A50P | 1Φ200V0.5kW | 430 | 2.5 | 500 | 350 | 5.2 | |||||||
| DPS-A75P | 1Φ200V0.75kW | 645 | 3.7 | 500 | 350 | 5.3 | |||||||
| DPS-A100P | 1Φ200V1.0kW | 860 | 5 | 650 | 500 | 6.6 | |||||||
| DPS-A125P | 1Φ200V1.25kW | 1075 | 6.3 | 800 | 650 | 7.7 | |||||||
| ※(1m²当り170kcal/hで計算) | |||||||||||||
|---|---|---|---|---|---|---|---|---|---|---|---|---|---|
| 材質 | ケーシング SEPC シーズヒーター SUS304 |
| 標準塗装色 | ピュアホワイト マンセル5.82Y8.60/0.28 |
| 付属品 | 壁取付金具 |
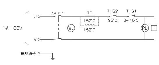
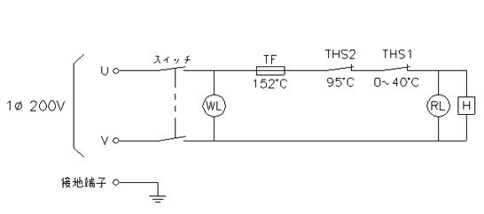
| 備考 | 室温調節用サーモ:0〜40℃ダイヤル可変式 過熱防止用サーモ:バイメタル式自動復帰型(95℃) 温度ヒューズ:152℃ |
DPS-A50E〜A125E

記:DPS-A50E〜A100E〜1kW)は温度ヒューズ(TF)1個、DPS-A125E(1.25kW)は2個を並列結線にて使用。
DPS-A50P〜A125P























