製品一覧
小型電熱式ファンヒーター(床置)DFⅢ-PU

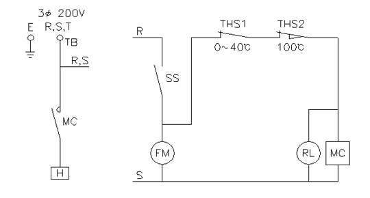
前吹き出しの小型普及版。操作はボタンを押すだけのワンタッチ。内蔵のボディサーモが室温を自動的にコントロールし、無駄な電力消費をカットします。
旅館、ホテル、寮など個室の多い建物の個別暖房に、またビルや工場の守衛室や宿直室に好適な製品です。

※以下の規格品以外の定格容量、異電圧も製作可能です。
| 型 式 | 定格 | ヒーター回路 | ファンモータ | 風量 | 最大発熱量 | 重量 | ||
| (kW×段) | (50/60Hz) | (CMM) | kW(kcal/h) | (kg) | ||||
| DFⅢ-150PU | 3Φ 200V 1.5kW | 1.5×1 | 1Φ 200V 22/23W | 4.2/4.7 | 1.5 (1290) | 23 | ||
| DFⅢ-200PU | 3Φ 200V 2kW | 2.0×1 | 1Φ 200V 22/23W | 4.2/4.7 | 2 (1720) | 24 | ||
| DFⅢ-300PU | 3Φ 200V 3kW | 3.0×1 | 1Φ 200V 22/23W | 4.2/4.7 | 3 (2580) | 24 | ||
| 材質 | SECC |
| 標準塗装色 | ピュアホワイト(マンセル5.82Y8.60/0.28) |
| 使用条件 | 使用条件:温度40℃以下、湿度90%以下、結露にご注意下さい。 |
DFⅢ-150PU〜DFⅢ-300PU




















