製品一覧
電熱式ファンヒーター(床置)DF-PU

無公害時代のクリーン暖房。安全で静かな運転が魅力です。工場、ビル、建築現場、ホテル、旅館、寮、病院などの個室暖房用に、守衛所、宿直室、事務所など夜間ボイラー停止後の暖房用にぴったりです。
※以下の規格品以外の定格容量、異電圧も製作可能です。
| 型 式 | 定格 | ヒーター回路 | ファンモータ | ファン | 風量 | 最大発熱量 | 重量 | ||
| H1 | H2 | (50/60Hz) | 台数 | (CMM) | kW(kcal/h) | (kg) | |||
| DF-200PU | 3Φ200V 2kW | 1kW | 1kW | 1Φ 200V 26/27W | 1 | 7.8/7.6 | 2(1720) | 31 | |
| DF-300PU | 3Φ200V 3kW | 1.5kW | 1.5kW | 1Φ 200V 26/27W | 1 | 7.8/7.6 | 3(2580) | 31 | |
| DF-400PU | 3Φ200V 4kW | 2kW | 2kW | 1Φ 200V 26/27W | 1 | 7.8/7.6 | 4(3440) | 31 | |
| DF-500PU | 3Φ200V 5kW | 2kW | 3kW | 1Φ 200V 26/27W | 1 | 7.8/7.6 | 5(4300) | 31 | |
| DF-600PU | 3Φ200V 6kW | 3kW | 3kW | 1Φ 200V 26/27W | 1 | 7.8/7.6 | 6(5160) | 31 | |
| DF-800PU | 3Φ200V 8kW | 4kW | 4kW | 1Φ 200V 26/27W | 2 | 7.8/7.6 | 8(6880) | 53 | |
| DF-10KPU | 3Φ200V 10kW | 4kW | 6kW | 1Φ 200V 26/27W | 2 | 7.8/7.6 | 10(8600) | 53 | |
| DF-12KPU | 3Φ200V 12kW | 6kW | 6kW | 1Φ 200V 26/27W | 2 | 7.8/7.6 | 12(10320) | 53 | |
| ※ファン定格、風量等は1台を示す。 | |||||||||
|---|---|---|---|---|---|---|---|---|---|
| 材質 | SECC |
| 標準塗装色 | ピュアホワイト(マンセル5.82Y8.60/0.28) |
| 使用条件 | 使用条件:温度40℃以下、湿度90%以下、結露にご注意下さい。 |
DF-200PU〜600PU

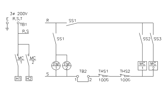
記:ルームサーモ(別売)をご使用の場合はTB2の短絡線を外して接続して下さい。
DF-800PU〜12KPU

記:ルームサーモ(別売)をご使用の場合はTB2の短絡線を外して接続して下さい。





















