製品一覧
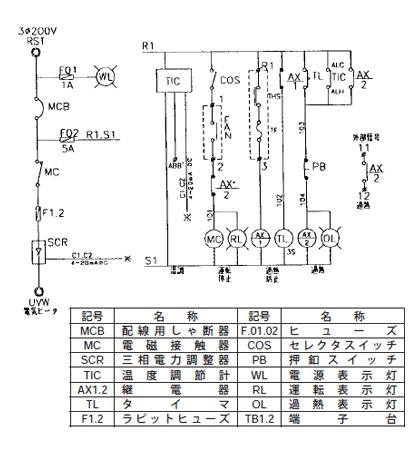
制御盤(温度制御)

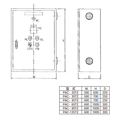
| 型式 | SCR定格 | 電源 | 制御方式 | 温度調節計 | 外形寸法(m/m) W×H×D |
|||
| (A) | (kW) | 目盛 | 比例帯 | 表示精度 | ||||
| PAC- 20TZ | 20 | 6.5 | 3Φ200V 50/60Hz |
比例 (PID) 制御 |
0 〜 100℃ |
0.1% 〜999.9% 可変 |
±(0.25% +1digit) |
500 × 600 × 250 |
| PAC- 30TZ |
30 | 10 | 500 × 700 × 250 |
|||||
| PAC- 45TZ |
45 | 15 | 600 × 700 × 250 |
|||||
| PAC- 60TZ |
60 | 20 | 600 × 1000 × 300 |
|||||
| PAC- 90TZ |
90 | 30 | ||||||
| PAC- 135TZ |
135 | 45 | ||||||
| オプション | ・異電圧・出力指示計・外部パワー調整 | |||||||
| 附属品 | 湿度センサー H71 | |||||||
PAC- 20TZ〜PAC-135TZ























